• 麻豆一级片免费观看,麻豆啪啪啪免费观看,麻豆自慰在线观看,麻豆裸体视频国产免费观看

    欢迎访问佛山市麻豆啪啪啪免费观看传感仪器有限公司官网!

    解决方案

    产品分类

    联系麻豆一级片免费观看

    佛山市麻豆啪啪啪免费观看传感仪器有限公司

    联系人:张总

    电话:0757-22300095

    手机:18902563858

    邮箱:931199351@qq.com

    传真:0757-22300097

    地址:广东省佛山市顺德区勒流富安工业区光电产业园4栋303号

    网址:www.chuangye020.net


    佛山HDN-1055动态扭矩传感器

    您的当前位置: 首 页 >> 产品中心 >> 佛山扭矩传感器

    佛山HDN-1055动态扭矩传感器

    • 所属分类:佛山扭矩传感器

    • 点击次数:
    • 发布日期:2024/09/26
    • 在线询价
    • 详细介绍

    【产品应用】

            HDN-1055动态扭矩传感器主要应用于各种加工设备、自动机床、电动机、发动机、内燃机等旋转动力设备,以及铁路机车、工业风机、水泵、齿轮箱、扭力板手的扭矩和功率的检测。


    【产品特点】:

    · 电阻应变为敏感元件和集成电路构成的一体产品,精度高,抗干扰,性能稳定可靠

    · 没有集流环等磨损件,可高速长时间运转,输出正反转扭矩信号

    · 两端均为键连接,安装使用方便

    · 转速可达1800转/分钟


    【主要技术参数】:

    量程

    0~3,5,10,20,30,50,100 Nm

    电阻

    100μS

    灵敏度

    1.5±10% mV / V

    绝缘电阻

    5000MΩ/ 100VDC

    零点输出

    ±1% F.S.

    激励电压

    10VDC(9-15VDC)

    非线性

    ±0.1,0.3% F.S.

    温度补偿范围

    -10 ~ 60℃

    滞后

    ±0.05% F.S.

    工作温度范围

    -20 ~ 65℃

    重复性

    ±0.05% F.S

    安全超载

    150% F.S.

    蠕变

    ±0.03% F.S/30min

    极限超载

    200% F.S.

    温度灵敏度漂移

    0.03% F.S. / 10℃

    电缆线尺寸

    Ø5.2×3m

    零点温度漂移

    0.03% F.S. / 10℃

    电气连接

    /E+,黑/E-,绿/S+,白/S-

    输入电阻

    350,750±10Ω

    材质

    铝,不锈钢或合金钢

    电阻

    350,700±5Ω

    其它要求

    可定制


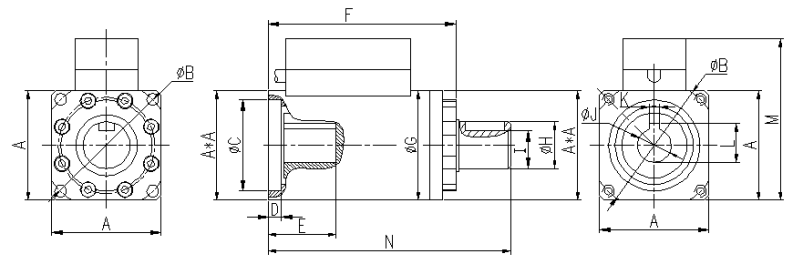
    【产品尺寸(单位mm)】:

    1055动态扭矩传感器尺寸

    量程Nm

    A

    B

    C

    D

    E

    F

    G

    H

    I

    J

    K

    L

    M

    N

    0-50

    42

    50

    35

    5

    26

    73

    42

    18

    14.5

    13

    4

    14.8

    63

    93

    100

    62

    70

    50

    7

    39

    91

    62

    18

    14.5

    16

    6

    18.3

    77

    122


    本文网址:http://www.chuangye020.net/product/782.html

    关键词:1055动态扭矩传感器,动态扭矩传感器,动态扭矩传感器厂家

    最近浏览:

    欢迎给麻豆一级片免费观看留言
    请在此输入留言内容,麻豆一级片免费观看会尽快与您联系。
    姓名
    联系人
    电话
    座机/手机号码
    邮箱
    邮箱
    地址
    地址
    网站地图