• 麻豆一级片免费观看,麻豆啪啪啪免费观看,麻豆自慰在线观看,麻豆裸体视频国产免费观看

    欢迎访问佛山市麻豆啪啪啪免费观看传感仪器有限公司官网!

    解决方案

    产品分类

    联系麻豆一级片免费观看

    佛山市麻豆啪啪啪免费观看传感仪器有限公司

    联系人:张总

    电话:0757-22300095

    手机:18902563858

    邮箱:931199351@qq.com

    传真:0757-22300097

    地址:广东省佛山市顺德区勒流富安工业区光电产业园4栋303号

    网址:www.chuangye020.net


    佛山无轴承圆盘式动态扭矩传感器

    您的当前位置: 首 页 >> 产品中心 >> 佛山扭矩传感器

    佛山无轴承圆盘式动态扭矩传感器

    • 所属分类:佛山扭矩传感器

    • 点击次数:
    • 发布日期:2024/10/06
    • 在线询价
    • 详细介绍

    【产品应用】:

        HDN-40B无轴承圆盘式动态扭矩传感器为一种可动态测量扭矩与转速的扭矩传感器。可高速高精度的采集扭矩与转速信号,支持各种输出方式。其拥有动态扭矩中较小的轴向尺寸和可以取出的测量轴体,适用于多种安装环境。极大的简化安装步骤,也使得该传感器具有一定的抗非同轴特性。

        该传感器扭矩采样与信号输出速率均达到3000Hz以上,可以适用于需要高速扭矩采集的场合。输出模拟或通信等扭矩与转速信号。


    【产品特点】:

    · 量程:50-10KNm

       · 最短的安装长度

       · 集成化双挠性盘耦合联轴器

       · 无轴承,消除轴承磨擦影响

       · 非接触式

       · 高转速 30K RPM

       · 安装角度小


    【主要技术参数】:

    量程:0-5000Nm

    精度:±0.1,±0.2%FS

    重复性:±0.02%

    零点温度影响:±0.02%FS

    满度温度影响:±0.02%FS

    补偿温度范围:-10~60ºC

    工作温度范围:-20~75ºC

    输出:10±5kHz ,4-20mA,  ±5VDC,±10VDC,RS485, RS232,CAN

    供电电压:12-24VDC

    供电电流:小于100mA

    电气连接:8-Pin

    过载保护:200%FS

    材质:传感器17-4PH不锈钢,外壳为铝

    选项

    转速测量:最大转速:30KRPM,60脉冲,4-20mA,5V/ TTL , ±5VDC,  ±10VDC,RS485,RS232, CAN

    安装:轴向差值±0.2mm,角度误差0.4°


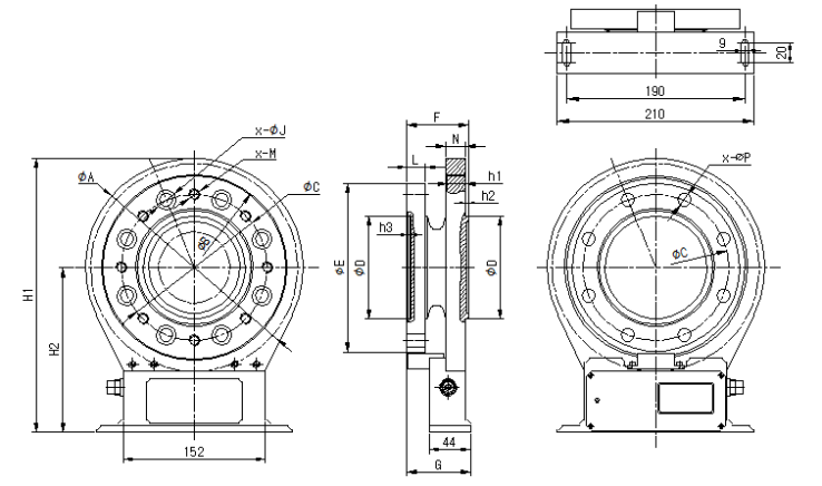
    【产品尺寸(单位mm)】:

    image.png

    动态扭矩传感器尺寸


    本文网址:http://www.chuangye020.net/product/788.html

    关键词:无轴承圆盘式动态扭矩传感器,圆盘式动态扭矩传感器,无轴承动态扭矩传感器

    最近浏览:

    相关产品:

    相关新闻:

    欢迎给麻豆一级片免费观看留言
    请在此输入留言内容,麻豆一级片免费观看会尽快与您联系。
    姓名
    联系人
    电话
    座机/手机号码
    邮箱
    邮箱
    地址
    地址
    网站地图