• 麻豆一级片免费观看,麻豆啪啪啪免费观看,麻豆自慰在线观看,麻豆裸体视频国产免费观看

    欢迎访问佛山市麻豆啪啪啪免费观看传感仪器有限公司官网!

    解决方案

    产品分类

    联系麻豆一级片免费观看

    佛山市麻豆啪啪啪免费观看传感仪器有限公司

    联系人:张总

    电话:0757-22300095

    手机:18902563858

    邮箱:931199351@qq.com

    传真:0757-22300097

    地址:广东省佛山市顺德区勒流富安工业区光电产业园4栋303号

    网址:www.chuangye020.net


    广东HDN-22系列静态扭矩传感器

    您的当前位置: 首 页 >> 产品中心 >> 广东扭矩传感器

    广东HDN-22系列静态扭矩传感器

    • 所属分类:广东扭矩传感器

    • 点击次数:
    • 发布日期:2024/09/28
    • 在线询价
    • 详细介绍

    【产品应用】:

           主要应用于各种加工设备、机床、风机、水泵、齿轮箱、扭力板手的扭矩及功率的检测。


    【产品特点】:

    · 电阻应变为敏感元件,精度高,性能稳定可靠

    · 大量程扭矩测量,安装使用方便。 

    · 静态扭矩测量。一端为键(或内四方键)连接,一端为法兰盘连接。 


    【主要技术参数】:

    量程

    0-1,2,5,10KNm

    响应频率

    100μS

    灵敏度

    1.5±10% mV / V

    绝缘电阻

    ≥5000MΩ/ 100VDC

    零点输出

    ±1% F.S.

    激励电压

    10VDC(9-15VDC)

    非线性

    ±0.1,0.3% F.S.

    温度补偿范围

    -10 ~ 60℃

    滞后

    ≤±0.05% F.S.

    工作温度范围

    -20 ~ 65℃

    重复性

    ≤±0.05% F.S

    安全超载

    150% F.S.

    蠕变

    ≤±0.03% F.S/30min

    极限超载

    200% F.S.

    温度灵敏度漂移

    0.03% F.S. / 10℃

    电缆线尺寸

    Ø5.2×3m

    零点温度漂移

    0.03% F.S. / 10℃

    电气连接

    红/E+,黑/E-,绿/S+,白/S-

    输入电阻

    350,750±10Ω

    材质

    铝,不锈钢或合金钢

    输出电阻

    350,700±5Ω

    其它要求

    可定制


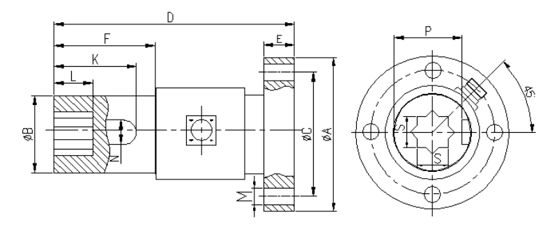
    【产品尺寸(单位mm)】:

    扭力传感器尺寸图

    扭力传感器技术参数


    本文网址:http://www.chuangye020.net/product/785.html

    关键词:静态扭矩传感器,机床扭矩传感器,静态扭力传感器

    最近浏览:

    欢迎给麻豆一级片免费观看留言
    请在此输入留言内容,麻豆一级片免费观看会尽快与您联系。
    姓名
    联系人
    电话
    座机/手机号码
    邮箱
    邮箱
    地址
    地址
    网站地图