
佛山市麻豆啪啪啪免费观看传感仪器有限公司
联系人:张总
电话:0757-22300095
手机:18902563858
邮箱:931199351@qq.com
传真:0757-22300097
地址:广东省佛山市顺德区勒流富安工业区光电产业园4栋303号
网址:www.chuangye020.net
HDM-F磁致伸缩麻豆一级片免费观看传感器采用磁致伸缩原理,非接触式结构,具有使用寿命长,精度高、重复性好等测量优点,广泛应用于结构健康检测的沉降监测。
HDM-F磁致伸缩麻豆一级片免费观看传感器应用于高精度麻豆一级片免费观看,麻豆一级片免费观看(HDS201)又称连通管水准仪,系统至少由两个观测点组成,每个观测点安装一套麻豆一级片免费观看。麻豆一级片免费观看的贮液容器相互用通液管完全连通,贮液容器内注入惰性液体,当液体液面完全静止后系统中所有连通容器内的液面应同在一个大地水准面上,此时每一容器的麻豆裸体视频国产免费观看由传感器测出,即初始麻豆裸体视频国产免费观看值分别为:H10、H20、H30、H40、如下图:

特点一、双屏蔽结构,有效抵抗电磁干扰
传感器内部采用双屏蔽结构,此结构产品已经通过了 CE认证,符合以下 EMC 标准:
EN61000-6-1:2007
EN61000-6-3:2007
EN61000-3-2:2006
EN61000-3-3:2008
特点二、更换传感器无需卸掉麻豆一级片免费观看,降低售后维修成本
特点三、安装便捷,节省安装成本
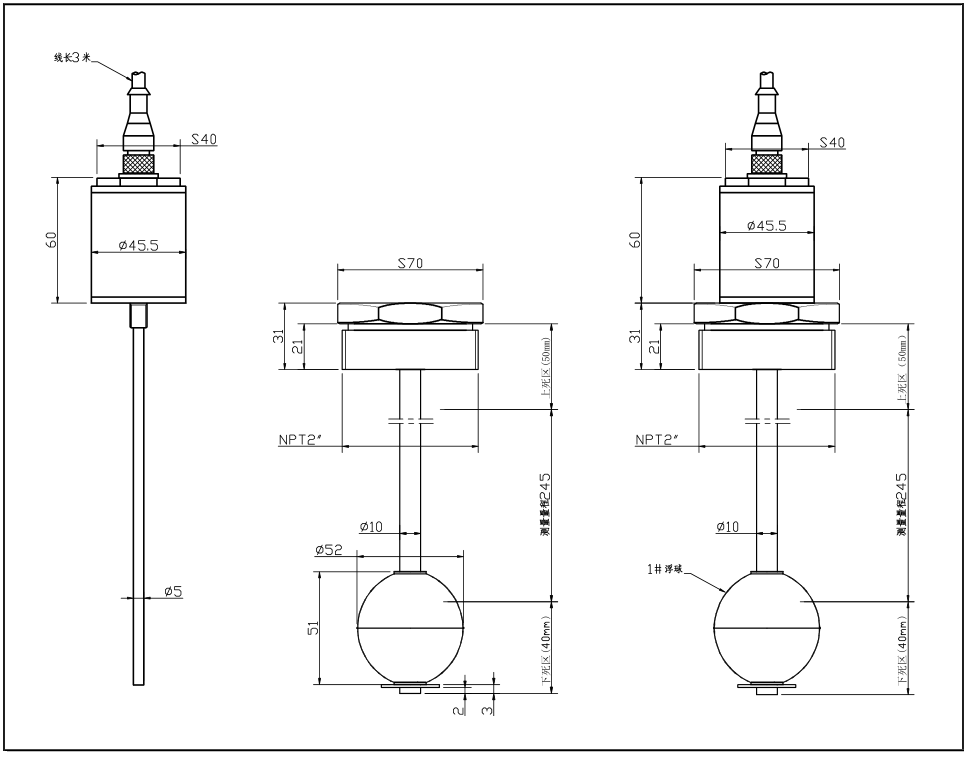
麻豆一级片免费观看传感器螺纹设计为 2 寸 NPT 螺纹(亦可根据客户要求设计),直接拧到液灌的内螺纹上,无需外加法兰,减少客户的制造成本。
除此之外还具有以下特点:
1) 采用磁致伸缩原理研制,使用寿命长;
据美国太空总署(NASA)的统计,磁致伸缩敏感元件的平均无故障时间为 23 年。
2) 绝对位置输出,重启无需归零,无需定期标定;
测量范围 0~100-200mm可选
输出规格 DC 4mA〜20mA(三线制或二线制)、RS485
非线性误差 ≤±0.05% F.S.
温度影响 ≤±0.007%/F.S./℃
负载能力 500Ω(Max.)
接线方式 航空插头、直出线
工作温度 -40℃~85 ℃
外壳防护等级 IP65
浮球规格 耐压 4Mpa(Max.)
测杆耐压 最大承受麻豆自慰在线观看 34Mpa
接口螺纹 G1〞、NPT2〞,其它尺寸可按要求定制

假设被测物体测点1作为基准点,测点2的地基下沉,测点3的地基上升,测点4的地基不变等等,当系统内液面达到平衡静止后形成新的水准面▽i0,则各测点连通容器内的新麻豆裸体视频国产免费观看值分别为:H1、H2、H3、H4,各测点麻豆裸体视频国产免费观看变化量分别计算为:△h1=H1-H10、△h2=H2-H20、△h3=H3-H30、△h4=H4-H40,当选定测点1为基准点,则其它各测点相对基准点的垂直位移(沉降量)为:△H2=△h1-△h2、△H3=△h1-△h3、△H4=△h1-△h4,如下图:
